- Yoken & Magnetringarna -
"DEFLECTION YOKE" & "PURITY/CONVERGENCE RINGS"

<< TILLBAKA TILL MONITORER
<< TILLBAKA TILL INDEX

- "Yoken" -

Yoken - Består av en ferrit-tratt (kärnan), två st koppartrådlindningar ("x" & "y" spolarna), och en liten 4-bent terminal för att fästa/ terminera ledarna i. De två spolarnas jobb är att kontrollera elektronstrålen (scan beam) i H (horisontell x) respektive V (vertikal y) riktining så att det ritas upp ett "raster" (själva bilden, även om det bara är ett svart fält när ingen signal/ spel är inkopplad).

En viktig grej att veta om yoken är impedansen på spolarna. Detta tar man reda på om man med sin multimeter Ohm-mäter terminalerna på "ovansidan", d.v.s. den sidan med terminalerna på, oftast sitter dom pekande uppåt. Koppla loss ledarna till chassikortet så att yoken inte är kopplad till resten av elektroniken, och börja mäta mellan den första anslutna terminalen och den på motsatt sida av terminalplattan. När vi får utslag borde vi, på en standard 20-tumsyoke få cirka-värdena 2.4 Ohm på H-spolen, och 14.5 Ohm på V-spolen. Dessa är standardvärden på låg-impedans yoke. Det finns emellertid V-spolar som sträcker sig upp till 56 Ohm. Dessa är sk. hög-impedans yoke.

Att de två spolarna är kopplade till chassit rätt orienterade är avgörande för bildens orientering. Är bilden uppochner eller spegelvänd i någon riktning kastar vi bara om ledarna på respektive spole. En viktig sak att tänka på är att aldrig "blanda ihop" dessa två spolar. Dom arbetar båda med varsin spänning.


Invertering av bilden

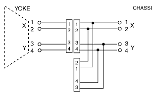
Ofta är yoken ansluten till chassit på ett sätt som tillåter enkel invertering av bilden på ett eller annat sätt. Men ibland finns det inte något annat alternativ än att man i efterhand måste modda yoke-flätan. Detta är lätt fixat med hjälp av en hane och två honor av AMP nylonkontakter eller liknande. (Bilden ovan).

Yoken placeras på en avsedd position runt tubens "hals" med en viss tolerans av fram eller bak -flyttning. Man brukar ha en färg som bas när man justerar yoken, dvs RÖD, GRÖN eller BLÅ helbild. Flyttas yoken för långt fram (eller bak) uppstår missfärgningar/ färgade fält på den färgen, det gäller att få den så "ren" som möjligt. (Anledningen till att vi kan få färgade fält/ smutsig bild efter transport av kabinett är att yoken kan ha flyttat på sig tranporten, eller så är renhetsringarna feljusterade.)

Yoken fästs till sist genom att spänna åt "skruvringen" runt halsen lagom hårt, och med minst tre stycken gummichuckar/ stoppar/ lakritsbitar som i sin tur limmas fast på tuben med en liten klick silikon eller nåt annat klibbigt för att hålla yoken på plats vid transport av monitor/ kabinett.

Rotationen av yoken påverkar i samma grad rotationen av bilden. Flyttas yoken (i den mån det går) åt vänster, höger, uppåt eller neråt påverkas trapezium-effekten och linjäriteten till viss grad.

- VIKTIGT -

När yoken, magnetringarna eller annat -svårt att komma åt- ska justeras, måste monitorn plockas ut ur kabbet (eventuellt monteras i en ställning/ram) och placeras på ett bord med en spegel framför som tillåter att vi ser bilden samtidigt som vi arbetar bakom monitorn.

Använd rutmönster när symetri vill erhållas. Efter att positionen av yoken i djupled har bestämts och färgrenheten är tillfredsställande, matar vi in ett rutmönster/ "gridpattern" som bild. Yokens skruvring/spänne spänns fast preliminärt så att den tillåter yoken att fortfarande rotera och makas en aning åt olika håll. Det är nu dags att placera första gummichucken. Jag brukar sätta den klockan 12 så att yoken "hänger" rakt på den. Sedan roteras yoken så att bilden hamnar så rakt som möjligt, man kan enkelt kolla detta i hörnen (förstora bilden lagom så att rutnätets kanter nuddar hörnen på tuben). Justera nu även trapezium (i den mån det går) genom att flytta yoken lite åt "rätt" håll Kläm sedan lätt in de resterande 2 gummistoppar i positoin kl 4:30 & kl 7:30. (Om fyra gummistoppar används sätts dom kl 12, 3, 6 & kl 9.) Skruvringen som håller yoken fast runt tubhalsen spänns nu fast lagom hårt så yoken inte roterar eller busar på nåt sätt.

- Magnetringarna -

Magnetringarna - Består av 3 st par (6 st totalt) magnetiska ringar av impregnerad plast som sköter elektronstrålens/arnas (det är i verkligheten 3 strålar, en för varje färg) noggranhet att träffa nogorlunda sina avsedda bildelement. Detta kallas på engelska för "convergence" och justeras bäst in med ett vitt rutmönster som bas.

Yoken & magnetringarnas förhållande påverkar färgrenheten, båda måste vara rätt inställda, dvs yoken måste sitta i rätt djupleddsamtidigt som renhetsringarna (markerade "P") måste vara i rätt position för att ren färg ska erhållas över hela skärmen. Det kräver en samtida justering/inbalansering av yoke och ringar om ingetdera sitter rätt från början.

De tre ringparen kan ibland ha omkastade funktioner beroende på tillverkare. Dom brukar sitta med "handtagen" åt bestämda riktingar, fota eller anteckna utgångspositionen innan justeringen påbörjas. Ringarna lossas vanligtvis genom att lossa på den yttersta tjocka ringen som "låser" de tre ringparen.

Par 1 - Renhetsparet (markerat med bokstaven "P"): Justeras med RÖD ( blå funkar också) helskärm som bas, så att färgen inte har inslag av någon färg/ fält. En "ren" färg överallt vill vi ha.

Par 2 - RÖD mot BLÅ (markerat med "6"): Konvergensen justeras enklast med vitt rutnät som bas, så att det röda rutnätet hamnar så exakt som möjligt över/in i det blåa rutnätet. Vi vill alltså ha ett violett (lila) rutmönster.

Par 3 - RÖD & BLÅ mot GRÖN (markerat med "4"): Konvergensen justeras med vitt rutnät som bas, så att det lila/magenta rutnätet hamnar så exakt som möjligt över/in i det GRÖNA rutnätet. Vi vill alltså nu ha ett VITT rutnät.

Ju bättre "konvergens" R,G & B har över hela skärmen desto klarare/ skarpare bild upplever vi (lek lite med FOKUS inställningarna för att vara säker på att får maximal skärpa). Det finns alltid en viss feltolerans i alla monitorer, konvergensen ute i hörnen är aldrig lika noggrann som i mitten av skärmen. Därför brukar tillverkaren i specifikationerna för monitorn ofta skriva att konvergensen är exakt inom en radie av t.ex 15 cm från mitten av 20" skärmen, eller att konvergensskillnaden är max 2 mm.

Vi har nu gått igenom det mesta som går att justera i en vanlig "arkadmonitor" (i detta fall var det Hantarex modell MTC 9000). På vissa märken kan bredden på bliden endast justeras med "width coil" (bredd-spolen/ tondrossel, en drossel med justerbar järnkärna som kan skruvas ut/in). Använd alltid plastverktyg när justerar du ferritkärnor, kärnorna är porösa och går lätt över i ... pulverform. Dessutom påverkas induktansen/ värdet av metallen i verktyget.

<< TILLBAKA TILL MONITORER
<< TILLBAKA TILL INDEX